APG-NVR-9964UN-3U

网络硬盘录像机

产品咨询
400-4008-999 拨打全国热线了解更多

1,全面支持ONVIF GB/T28181 标准

264H.265/H.264混合接入实时录像

3,支持HDMI超高清4K显示

4,支持2HDMI1VGA,双屏拼接、扩展

5,支持2个千兆网卡

64个通道录像同步回放

7,接入图像质量12MP/8MP/6MP/5MP/3MP/1080p/720P

8360M接入/360M存储/300M转发

916SATA硬盘接口,最大支持6TB硬盘



APG-NVR-9964UN-3U
系统 主处理器 工业级嵌入式微控制器
操作系统 嵌入式LINUX操作系统
系统资源 360M接入/360M存储/300M转发
视频参数 画面显示  1/4/8/9/16/32画面显示(双屏拼接、扩展)
录像图像质量 12MP/8MP/6MP/5MP/3MP/1080P/720P/D1/CIF
视频压缩标准 H.265/H.264
码流类型 限定码流,可变码流
回放图像质量 4K/1080P/720P/D1/CIF/QCIF
录像管理 本地回放 支持4路同步回放
录像查询方式 智能时间标签、时间点检索、日历检索、事件检索、通道检索
录像保存 本机硬盘/网络
备份方式 网络/USB/本机硬盘
视频 视频输入 64路H.265/H.264混合接入
VGA输出 1路VGA(最高1080P显示输出) 
HDMI输出 2路HDMI,HDMI1(最高4K显示输出),HDMI2(最高1080P显示输出)
音频 音频压缩 G.711
音频对讲输入 1路BNC
音频输出 1路BNC
外部I/O 报警输入 16路报警输入
报警输出 4路继电器输出(24V DC 2A,120V AC 1A)
RS485接口 2个RS485
RS232接口 1个RS232
USB接口 2个USB2.0和1个USB3.0
硬盘 硬盘个数及接口 4个Mini SAS接口,16个硬盘
硬盘容量 3.5”500/750GB/1TB/2TB/3TB/4TB/6TB , SATA 磁盘
RAID类型 RAID0,1,5,10
硬盘安装 支持热插拔
网络特性 网络键盘 支持
网络接口 2个RJ45 10M/100M/1000M自适应以太网口
电气特性 电源 AC220V 
功耗 <35W(不含硬盘)
物理特性 工作温度 +10℃~+55℃
工作湿度 10%~90% RH
大气压 86kpa~106kpa
机箱 19英寸标准3U机箱

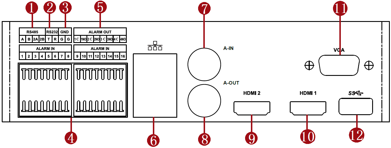
1 –RS485

2 –RS232

3 –接地

4 –报警输入

5 –报警输出

6 –报警输出

7 –网络接口

8 –音频输入

9 –音频输出

10 –HDMI接口

11 –HDMI接口

12 –VGA接口

13 –USB接口

联系我们

联系我们

400-631-6166
产品目录

产品目录